原文 http://skovholm.com/cwdecoder
朋友介紹 , 一個十分簡單的 摩斯密碼 解碼器
而要的東西很少.同很精簡已可以DIY 出來
外國的朋友寫這個code 好方便.
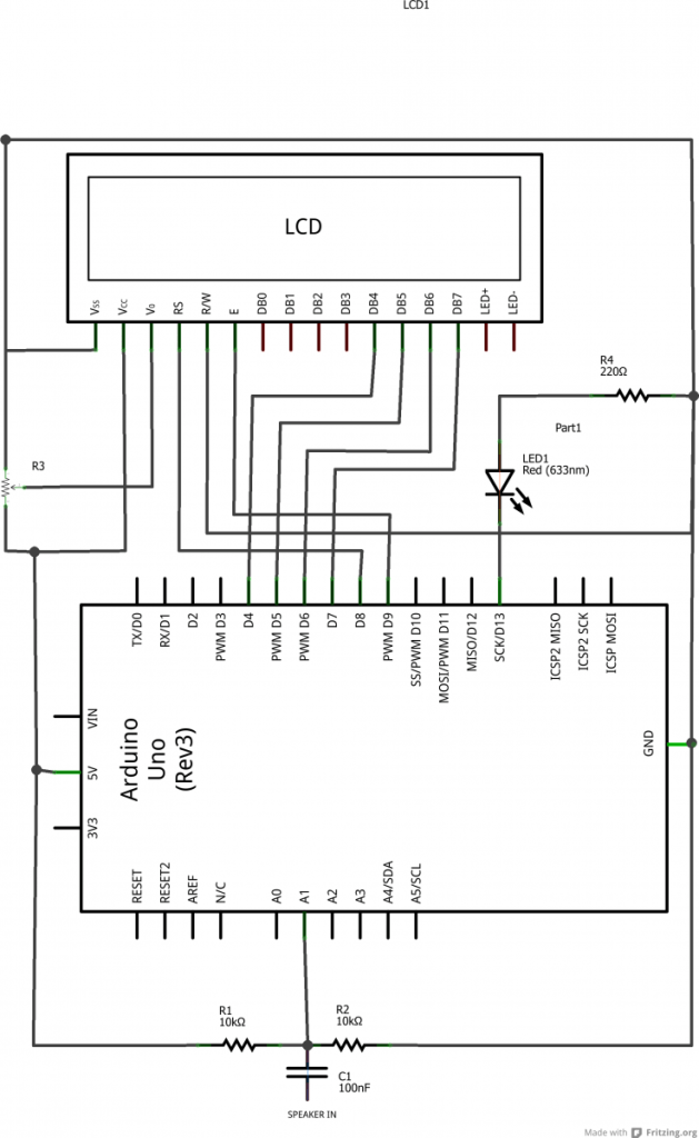
可以方便大家用 2*16 或 4*16 或 2*20 或 4*20 的LCD
音頻 雜訊都可以更改 詳細可以去返原文到看看
只要改小小code 就可以了.
code download -> decoder11
現在我附上我的抄考別人而制作的作品. 給大家看看
Arduino 主版 x 1
10k 電阻 x 2
220歐母 電阻 x 1
LED x 1
1602 x 1










Leave a Reply